防爆箱订购热线:15057512139
上一张 下一张
当前位置:首页>新闻资讯>防爆箱技术

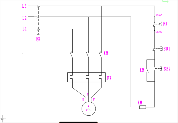
380v配电箱怎么接线介绍及图解

发布时间:2018-07-18 浏览次数:1365

三相电有三根火线,通常叫A相(U相)、B相(V相)、C相(W相);每相之间的相位相差120度,相与相之(ABACBC)间的电压是380V;一般的供电线路都是三相五线制,除了刚才说的三根火线,还有一根零线、一根地线!


380V低压动力配电柜标准GB 7251.1-2005为低压配电柜的通用标准。 GB 7251.2-2006为母线槽的要求。 GB 7251.3-2006为户内标准。

新一篇:一级二级配电箱接线图解及家庭布线图
旧一篇:施工现场的配电箱之间怎么接线